このページは、JavaScriptが使用されています。
ステンレス軽量角形鋼管−断面性能計算
鋼種:
BS-SUS304
BS-SUS316
BS-SUS410S
BS-SUS410L
BS-SUS436L
BS-SUS301L-3/4H
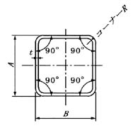
A
B
t
角部形状
□-
×
×
1種
2種
3種
角部形状
1種
2種
3種
コーナーR
2.5t
1.8t
1.2t